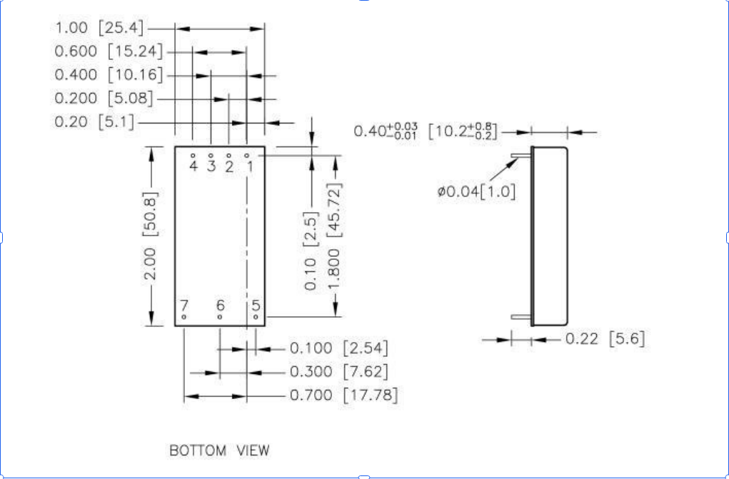
- 博大QAE40系列14-160VDC输入模块电源QAE40-72S12U QAE40-72S53U QAE40-75S24U QAE40-72S05U QAE40-72S28UQAE40-75S24U QAE40-72S05U QAE40-72S28U
详细信息
品牌:博大 型号:QAE40-75S24U QAE40-72S05U QAE40-72S28U 加工定制:否 输出电流:6 A 输入电压:DC14-160 V 输出电压:DC5-53 V 输出功率:40 W 工作温度:-40--105度 ℃ -
扫一扫,手机浏览




















