- TRACOTEN40UIR系列工业电源模块TEN40-3611UIR TEP40-3612UIR TEN40-3613UIR TEP40-3615UIR
详细信息
品牌:TRACO 型号:TEN40-3613UIR TEP40-3615UIR 加工定制:否 输出电流:8 A 输入电压:DC9-75 V 输出电压:DC5-48 V 输出功率:40 W 频率范围:300KHZ 工作温度:-40--70 ℃ TEN40UIR系列工业电源模块TEN40-3611UIR TEP40-3612UIR TEN40-3613UIR TEP40-3615UIR
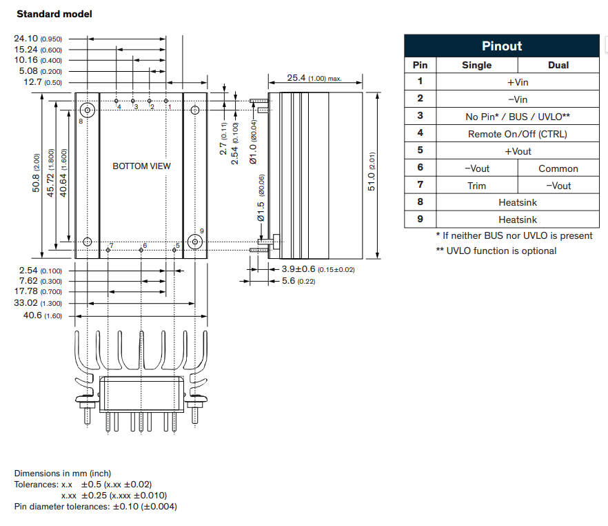
TEN40UIR是一系列良好可靠性DC/DC转换器,具有12:1输入电压范围和40瓦的功率输出。TEN 40UIR采用紧凑、DIP封装的2“x1”外壳,具有良好的可靠性和有效的冷却效果。得益于其滞留电容器连接,TEN 40UIR满足了延长滞留时间的要求,而不需要笨重的输入电容器。可用于各种要求苛刻的工业应用。
紧凑型2“x1”外壳
12:1输入电压范围:9–75,14–160 VDC
-40°C至+70°C自然对流冷却,无需降额
用滞留电容器连接
DIP封装
3000VDC输入/输出绝缘电压
远程开/关和微调功能
短路(SCP)、过压(OVP)和过热(OTP)保护
3年产品保修 -
扫一扫,手机浏览



















