- GAIA 宽输入DC/DC转换器DC12-160V输入MGDDI-06-R-E MGDDI-06-R-F MGDDI-06-R-I MGDDI-06-R-CMGDDI-06-R-I MGDDI-06-R-C
详细信息
品牌:GAIA 型号:MGDDI-06-R-I MGDDI-06-R-C 加工定制:否 输出电流:1.2 A 输入电压:DC12-160 V 输出电压:DC5-24 V 输出功率:6 W 工作温度:-40--91 ℃ MGDDI-06宽输入DC/DC转换器DC12-160V输入MGDDI-06-R-E MGDDI-06-R-F MGDDI-06-R-I MGDDI-06-R-C
MGDDI-06宽输入系列是一个全系列DC / DC电源模块,具有12至160伏的宽输入电压范围。该系列设计用于可变输入电压和瞬态变化的分布式电源架构,适用于铁路和运输系统以及航空电子设备应用。
MGDDI-06系列符合铁路24VDC / 37VDC / 72VDC / 110VDC电压范围电压范围,无需额外的电压限制器。
该系列包括2 x 5伏,2 x 12伏,2 x 15伏和2 x 24伏的单独绝缘的双路输出电压选择。这些可以很容易地并联,串联,对称或独立配置。总功率为6W,两个输出可以在一个通道上使用不平衡,达5W,另一个在1W上。
所有模块采用LC网络滤波器设计,以更大限度地减少反射的输入电流纹波。这些模块包括软启动,输入欠压锁定,短路和过载保护以及输出过压限制,以实现高效率的模块保护。软启动允许电流限制并消除启动期间的浪涌电流。短路保护通过关闭完全保护模块免受其他持续时间的短路,并在过载消除时恢复正常。
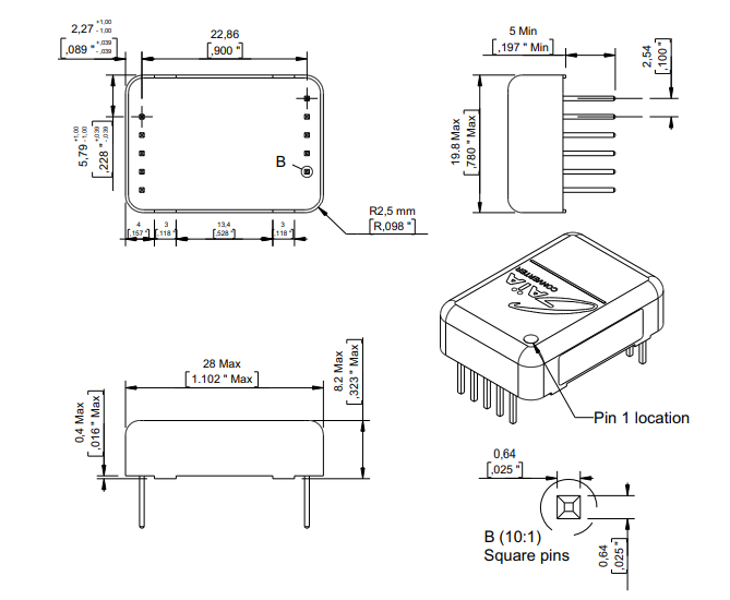
模块采用双组分导热化合物封装,以实现在恶劣的环境条件下实现良好的功耗。
Gaia的MGDDI-06系列工业DC-DC转换器设计用于-40至+ 95°C的更高工作温度范围,具有典型铁路,运输和航空航天应用所需的输入范围。
所有双路输出都是隔离的,可以作为正极或负极参考,并串联或并联。 一个导轨的更大输出功率不得过6.8W,总功率不得超过8W。
需要其它输入输出电压,请联系代理商:西安浩南电子科技有限公司MODEL INPUT # of Outputs Vout Iout Options MGDDI-06-R-C 12-160VDC Dual 2 x 5V 2 x 600mA - MGDDI-06-R-E 12-160VDC Dual 2 x 12V 2 x 250mA - MGDDI-06-R-F 12-160VDC Dual 2 x 15V 2 x 200mA - MGDDI-06-R-I 12-160VDC Dual 2 x 24V 2 x 125mA -
特征:
宽输入范围12 - 160 VDC
额定功率6瓦
标称双输出电压从5V到48V
2个输出端的*大功率不平衡可达5W / 1W
整个范围内效率(典型值89%)
慢启动
电气绝缘2.250 VDC
集成LC输入滤波器
短路保护
外部同步
外部修剪调整:-20 / + 10%
没有光耦合器可靠性高
RoHS过程 -
扫一扫,手机浏览



















