- 科索MUS6系列微功率模块电源MUS62412 MUS62405 MUS62415 MUS6243R3
详细信息
品牌:科索 加工定制:否 型号:MUS62415 MUS6243R3 输出电流:1-3 A 输入电压:18-36 V 输出电压:DC12-48 V 输出功率:6 W 负载调整率:+/-2% 显示精度:+/-1% MUS6系列微功率模块电源MUS62412 MUS62405 MUS62415 MUS6243R3
额定输入:DC4.5-9V、DC9-18V、DC18-36V、DC36-76V
额定输出功率:6W
额定输出电压:3.3V、5V、12V、15V
保修期5年
特征
信息和选项
产品线
方框图
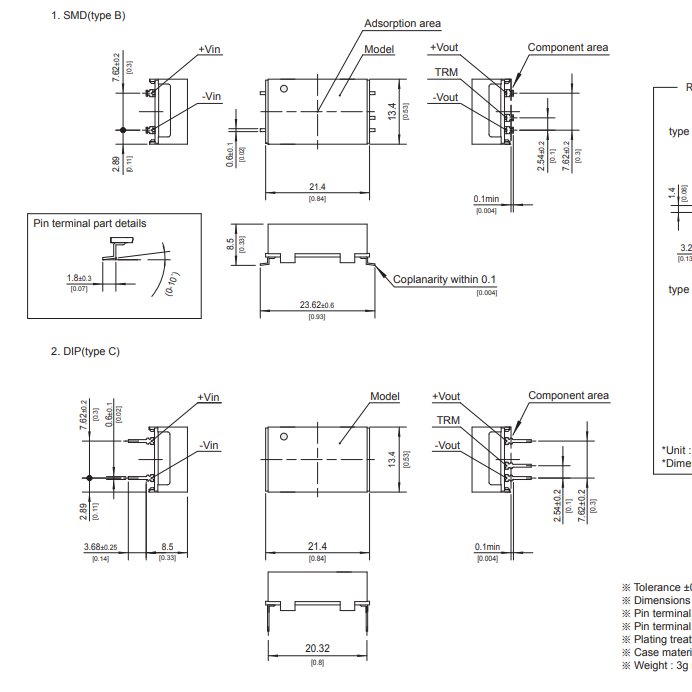
MUS6的特点
•SMD安装型和通孔安装型
•高效率
•内置过电流保护电路
•内置远程开/关
•可靠性:不内置铝和钽电解电容器
信息和选项
MU(1)S(2)6(3) 12(4) 05(5) B(6)-□(7)
(1) 系列名称
(2) 单输出
(3) 输出功率
(4) 输入电压
(5) 输出电压
(6) 安装类型
B: SMD
C: DIP
(7) 可选
G: 输入和输出之间的电容器被移除。
扫一扫,手机浏览















