• 幸康DC9-75V输入机车模块电源CQB150W8-36S15N CQB150W8-36S24N CQB150W8-36S28N CQB150W8-36S12N

    详细信息

     品牌:幸康  加工定制:否  型号:CQB150W8-36S28N CQB150W8-36S12N  
     输出电流:12 A 输入电压:DC9-75 V 输出电压:5----54 V 
     输出功率:150 W 负载调整率:+/-2%  显示精度:+/-1%  
    DC9-75V输入机车模块电源CQB150W8-36S15N CQB150W8-36S24N CQB150W8-36S28N CQB150W8-36S12N
    CQB150W8 150W 9-75VDC 8:1输入四分之一砖铁路DC-DC转换器
    效率91%
    固定开关频率
    调节输出
    远程开关
    低空载功耗
    保护(OTP/OCP/OVP/UVLO)
    3000Vac输入/输出隔离
    工作环境温度-40至+105℃
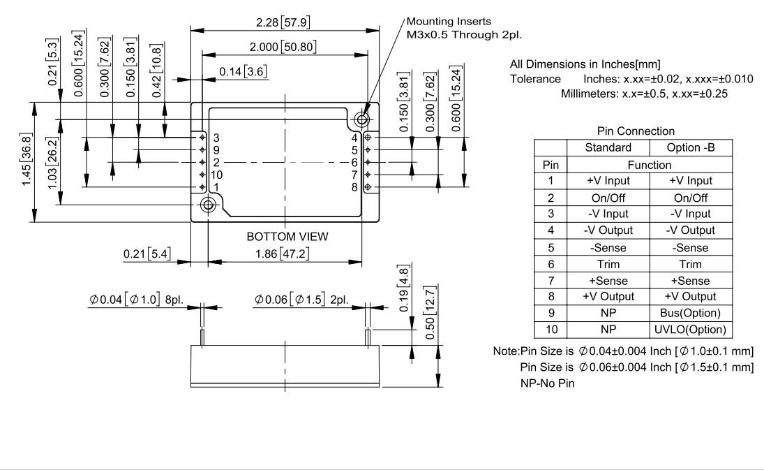
    四分之一砖尺寸符合工业标准2.28“x1.45”x0.5“
    标准的外部电路
    (加强绝缘)
    冲击和振动
    标准的火灾和烟雾
    5000米工作高度
    具有总线和外部UVLO功能的选项模型
  • 留言

    *详细需求:
    *手  机:
    联 系 人:
    电    话:
    E-mail:
    公  司:
    谷瀑服务条款》《隐私政策
内容声明:谷瀑为第三方平台及互联网信息服务提供者,谷瀑(含网站、客户端等)所展示的商品/服务的标题、价格、详情等信息内容系由店铺经营者发布,其真实性、准确性和合法性均由店铺经营者负责。谷瀑提醒您购买商品/服务前注意谨慎核实,如您对商品/服务的标题、价格、详情等任何信息有任何疑问的,请在购买前通过谷瀑与店铺经营者沟通确认;谷瀑上存在海量店铺,如您发现店铺内有任何违法/侵权信息,请在谷瀑首页底栏投诉通道进行投诉。
西安浩南电子科技有限公司 电话:029-88231631 手机:18966735349 地址: 西安市莲湖科技产业园高新一路6号前进大厦7层
Copyright ©2003 - 2026 Goepe.com 版权所有 关于谷瀑 | 服务中心 | 著作权与商标声明 | 会员服务 | 隐私声明 | 网站导航