- CINCON多路输出模块电源EC7C-24T0512 EC7C-24T0515EC7C-24D12 EC7C-24D15
详细信息
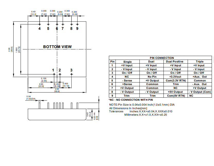
品牌:CINCON 加工定制:否 型号:EC7C-24D12 EC7C-24D15 输出电流:8 A 输入电压:DC18-36 V 输出电压:5----48 V 输出功率:40 W 负载调整率:+/-2%
40W 2x2英寸DC-DC转换器
EC7C 40W 2x2英寸DC-DC转换器
40W隔离输出
2“X 2”六面屏蔽金属外壳
效率93%
固定350KHz开关频率
2:1输入范围
调节输出
持续短路保护 Cincon设计和制造3W - 75W的DC/DC拨码转换器,具有工业标准和引脚。具有效率高、工作温度高、输入范围宽等特点。Cincon还为各种应用提供非隔离和高隔离DC/DC转换器。
CINcon DIP转换器简介
对于dip DC-DC转换器,有各种封装,例如3W至15W的DIP24或SMD24封装,10W至30W的1“x1”封装,10W至75W的2“x1”封装,15W至40W的2“x 1.6”和2“x2”封装。拥有超过29年的研发经验,专注于铁路,工业,ITE, 5G通信,家庭应用。
对于工业应用,所有DIP DC-DC转换器都适用于工业用途。
对于铁路应用,有符合EN 50155的拨码转换器,如DIP24 8W和10W, 2“x1”封装20W和40W。此外,Cincon还提供2“x1”,20W, 18:1的宽输入范围DC-DC转换器,可覆盖应用系统的更多分布电压。
-
扫一扫,手机浏览


















